abbrechen
Suchergebnisse werden angezeigt für 
Anzeigen  nur  | Stattdessen suchen nach 
Meintest du: 


mit mehreren "Raumthermostate 2" nur 1 Smartes Relais steuern

Larry
Homie

Hallo,

ich bin neu hier, habe bereits die Suche bemüht und dazu keine Hilfestellung bekommen. Ich hoffe, mich nicht zu dämlich anzustellen. 🫣

 

Ich wohne in einer Mietwohnung und aus diversen Gründen möchte/darf ich in meine Kombietagenheizung nicht eingreifen.

Es ist eine 20 Jahre alte Vaillanttherme und dem Raumthermostat CalorMatic 330, welche ich bereits seit einiger Zeit zeitlich mit fest eingestellter Komforttemperatur und mit Erfolg per Smarten Bosch Relais über den TeleSwitch-Eingang der CalorMatic schalte.

Dafür hatte ich Automationen angelegt.

 

Nun, nach Ankündigung der Nutzbarkeit der Raumthermostate 2 zusammen mit den Smarten Relais, habe ich mir ein Raumthermostat 2 zugelegt und warte geduldig auf die Umsetzung der Ankündigung.

Mit diesem werde ich dann per Smarten Relais über TeleSwitch die Regelung der CalorMatic überstimmen, indem ich den Raumthermostat 2 programmiere und am CalorMatic eine Temperatur fest vor gebe, welche ein wenig über meiner höchsten geplanten Komforttemperatur liegt.

Da mein verkabeltes Raumthermostat im Wohnzimmer hängt und ich daneben das smarte Relais und den Raumthermostaten 2 installiert habe, ergibt sich folgende übliche Situation (trotz durchgeführtem Hydraulischem Abgleich):

Wenn ich ins Bett gehe, erhält die Therme bei Erreichen einer gewünschten Absenktempertur über o.g. Veschaltung den Befehl das Heizen einzustellen (per Schließen des TeleSwitch per Ansteuern des Smarten Relais über den Raumthermostaten 2).

Da im Schlafzimmer aufgrund der Gebäudesituation allerdings die Temperatur unter eine gewünschte Schlaftemperatur fällt, möchte ich gern nachts die Therme anschalten lassen können, um das Schlafzimmer zu beheizen.

An allen Heizkörpern der Wohnung hängen smarte Thermostate (eines Marktbegleiters von Bosch 😉, da bereits vorher in meinem Besitz), so könnte ich diese zur Schlafenszeit zufahren, um bei Bedarf an Beheizung des Schlafzimmers auch nur dieses zu beheizen.

Viel Erklärung vorher. Nun zu meiner Frage:

 

Würde ich (nach Umsetzung o.g. Ankündigung durch die Bosch-Programmierer) in der Lage sein, 2 unterschiedliche Bosch "Raumthermostate 2" mit ein und demselben Smarten Relais zu kommunizieren und tagsüber dem "Raumthermostat 2" im Wohnzimmer und nachts dem "Raumthermostat 2" im Schlafzimmer die Kontrolle über den per Smarten Relais schaltbaren TeleSwitch für die Therme zu überlassen.

?

 

Wenn das ginge, dann würde ein solcher 2. "Raumthermostat 2" im Schlafzimmer mein Problem lösen können.

Ich möchte übrigens ungern jeden Abend und Morgens (ohne es dann zu vergessen) das vorhandene funk betriebene Raumthermostat 2 jeweils hin und her schleppen.

 

Vielen Dank.

1 AKZEPTIERTE LÖSUNG

ChristianHome
Experte von Bosch Smart Home

Hallo @Larry,

die Funktion ist fertig entwickelt und kommt mit dem nächsten Release. Feedback gerne an mich 😅.

Lösung in ursprünglichem Beitrag anzeigen

30 ANTWORTEN 30

Rainerle
Poweruser

Ich schätze, Du würdest das über Automationen lösen wollen. Im der Art, wenn Temperatur unter x Grad, Relais an und dadurch TeleSwitch an. 

Dann steuerst Du eben per Automation „Wenn Temperatur Schlafzimmer unter x Grad und von bis Uhrzeit, dann Relais…“ und eine zweite „Wenn Temperatur Wohnzimmer …“ mit der anderen Zeit. 

Sollte so mit einem Relais gehen, wenn ich Deine Planung richtig verstanden habe. 

Privater Nutzer über iOS, SHC II + Funkstick mit knapp 100 Geräten, drei Kameras, 30 Automationen und viele Szenarien. Heizung EasyControl und Beleuchtung über PhilipsHue-Bridge eingebunden.


☝ gerne mitmachen! Info SHC Generation, Smartphone und Betriebssystem hilft häufig bei der Lösung von Problemen. Einfach im Profil bei "Persönliche Informationen" in der "Signatur" eintragen.

Da hast du wahrscheinlich recht.

Das wäre eine Variante für den Fall, dass die erwartete Regelung für das Relais nur Befehle von einem RT zulassen würde. Dann wäre das der zu gehende Weg für mich.

Ich besorge mir erstmal einen 2. RT2 und kann in der Zwischenzeit auch mal die Logik zusammen schreiben, für den Fall es durch Automation lösen zu müssen.

 

By the way...

Der durch z.B. ein Smartes Relais schaltbare TeleSwitch an den Vaillant RT sorgt für ein Unterbleiben des Heizens also Ausschalten.

TeleSwitch geschalten/gebrückt = Heizanforderung AUS.

Das ändert aber nichts an einer Möglichkeit der Automation, man musst halt bissel umdenken bzw. mit Negierung automatisieren.😉

OK, es stellt sich nicht allzu kompliziert mit 2 "Raumthermostaten II" und deren Automationen zum "Smarten Relais" dar, falls die kommende Funktion zur Steuerung des "Smarten Relais" per "Raumthermostat(en) II" oder mehreren davon nicht so zielführend sein sollte (System-Update auf Version 10.19 bzw. 10.20 dazu demnächst erwartet).

Zumindest wird das Update aber überhaupt erstmal benötigt, damit das Relais mit dem RT arbeiten kann. Momentan kann man das Relais nicht per RT schalten.

 

Ziel ist letztlich die Beheizung der Wohnräume mit 22 °C tagsüber und des Schlafzimmers mit 18 °C nachts. 

Automationen.jpg

ChristianHome
Experte von Bosch Smart Home

Hallo @Larry,

mit der 10.19 wird aktuell nur eine 1:1 Zuordnung von Ralais zu Raumthermostat unterstützt. Mehrere "Quellen" für eine Heizanforderung sind aber in der Tat geplant! In die 10.20 wird das aber ziemlich sicher nicht mehr kommen.

 

Ich habe Dein Setup noch nicht ganz verstanden. Wozu hängt da noch ein "TeleSwitch" dazwischen? Eigentlich sollte auch jede alte Therme einen direkten Anschluss für den potentialfreien Kontakt vom Relais haben.

Hintergrund: ein Umkehren der Schaltlogik des Relais ist für diesen Fall nicht vorgesehen. Ich glaube auch nicht dass wir das nur für den TeleSwitch noch einbauen.

Danke für die Antworten.

Das Problem ist, dass ich in einer Mietwohnung wohne und an der Gastherme selbst nichts ändern darf.

Mein (leider eben kein smarter) Raumthermostat von Vaillant hängt verkabelt im Wohnzimmer und an diesem Thermostat sind 2 Kontakte durch einen TeleSwitch schaltbar. 

Ich kenne niemanden mit solch einem TeleSwitch, aber mit dieser Technik konnte man seinerzeit per Anruf bzw. SMS Code (bin mir nicht sicher) über das Raumthermostat die Therme abschalten.

Man schaltet damit nicht einfach den Strom ab, sondern bringt den Raumthermostaten (bzw. das Teil ist laut Vaillant ein "Raumtemperaturregler") über das Brücken der 2 Kontakte (per original TeleSwitch Oder in meinem Fall Smarten Relais) dazu, das der Regler die Gastherme auf OFF schaltet und mit TELE im Display anzeigt.

 

Wenn ich das Signal zur Heizungsanforderung per Raumthermostat 2 nicht negieren kann, dann wird das mit dem Raumthermostat 2 an Smartem Relais wohl nicht funktionieren. Schade.

Du kannst zwischen smartes Relais und Vaillant-Thermostat ein nicht-smartes Relais mit Öffner- bzw. Wechsler-Kontakt hängen und die Schaltlogik so in Hardware invertieren. In Software wäre natürlich eleganter, aber so kann man sich behelfen.

Privater Endanwender, kein Bosch-Mitarbeiter.
SHC II + Funk-Stick mit 40 Geräten + 12 Hue + Home Connect, ~140 Automationen, OnePlus 7T mit Android 12

☝ gerne mitmachen! Info SHC Generation, Smartphone und Betriebssystem hilft häufig bei der Lösung von Problemen. Einfach im Profil bei "Persönliche Informationen" in der "Signatur" eintragen.

Ich bin bereits am überlegen und mir da aber als Maschinenbauer hinsichtlich Elektrobastelei zu unsicher.

 

Komfortable und elektrisch risikoarm fand ich ja gerade, dass das smarte Relais potentialfreies Schalten zulässt. Ich muss auch zwingend potentialfrei die für den TeleSwitch gedachten Eingänge brücken.

Wenn ich ein weiteres nichtsmartes Relais dazwischen setze, bekomme ich dafür ja aus dem Smarten Relais keine Spannung zum Schalter des zusätzlichen Relais, richtig?

 

Wenn das zusätzliche nichtsmarte Relais doch mit dem Smarten Relais schaltbar wäre, dann darf trotzdem vom zusätzlichen Relais kein Potential auf die TeleSwitchbrücke übertragen werden.

 

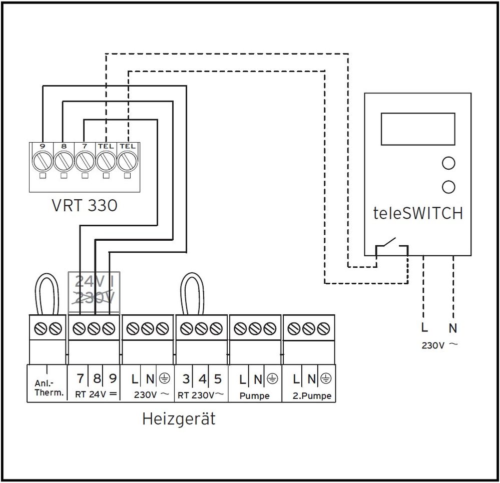
Nochmal zum TeleSwitch:

 

 

TeleSwitch-Anbindung.jpg

Anstatt des TeleSwitch hängt dort natürlich das Smarte Relais direkt am Regler VRT330.

 

zur Funktion:

Smartes Relais anschalten = TeleSwitch schließen = Therme AUS

 

Nach Sichtung der Unterlagen existieren auch keine weiteren nutzbaren Eingänge direkt an der Therme. 

 

Ich bräuchte also quasi ein weiteres (dauerhaft mit Spannung versorgtes ?????) Relais zw. Smartem Relais und Regler VRT330, welches potentialfrei den Zustand negiert, aber auch mit potentialfreien Ausgängen. 

 

Kann ich als Laie so an das Thema rangehen?

Wäre das ein potentialfreies Wechselrelais oder wonach muss ich suchen? 😦

Am smarten Relais brückst Du L auf den Schalteingang ↑L. An den Schaltausgang ↓ und N schließt Du die Spule eines nicht-smarten Relais an (230V Spulenspannung, ein Wechsler). An dessen potentialfreien Öffner-Kontakt schließt Du dann die Teleswitch-Anschlüsse an.

Privater Endanwender, kein Bosch-Mitarbeiter.
SHC II + Funk-Stick mit 40 Geräten + 12 Hue + Home Connect, ~140 Automationen, OnePlus 7T mit Android 12

☝ gerne mitmachen! Info SHC Generation, Smartphone und Betriebssystem hilft häufig bei der Lösung von Problemen. Einfach im Profil bei "Persönliche Informationen" in der "Signatur" eintragen.

Hallo @Maurice

danke für deine Hilfe.

Jetzt habe ich das verstanden (und auch in der Bedienungsanleitung so bestätigt gelesen) und werde es wohl auch so umsetzen.

Vielen Dank.

Hallo @ChristianHome 

 

ist es mir beim Sichten der letzten Release Notes zu den Updates entgangen oder wurde die Aufgabe (bislang noch) nicht umgesetzt?

 

Ich möchte gern mit mehreren Raumthermostaten (in verschiedenen Räumen) ein und dasselbe Smarte Relais ansteuern, um meine Etagenheizung zu schalten.

 

Grüße

 

Hallo @ChristianHome ,

kannst du uns bitte eine Info geben, ob die Möglichkeit des Verknüpfens mehrerer Raumthermostaten mit einem einzigen Smarten Relais noch in Planung ist bzw. mit welchem Release kommen könnte?

Danke und Gruß

ChristianHome
Experte von Bosch Smart Home

Hallo @Larry,

die Funktion ist fertig entwickelt und kommt mit dem nächsten Release. Feedback gerne an mich 😅.

Hallo @ChristianHome  

 

heute nun konnte ich im letzten Schritt dazu auf die App Version 10.23 updaten.

Sogleich die Änderungen und Raumzuordnungen vorgenommen und erfahren, dass ihr da etwas übersehen habt. Meine per Relais gesteuerte Gastherme schaltet nie mehr ab, da diese Option unveränderbar in den Einstellungen der Zentralheizung auf "automatisch abschalten = niemals" steht.
Ich habe 2 Räume mit je einem Raumthermostat in die Zentralheizung eingebunden.
Eines dieser Räume hat zuverlässig einen "Heizbedarf" an das Relais (Therme) gemeldet und dieses aktiviert.
Nach Abfall der Bedingung wurde jedoch das Relais (Therme) nicht auf AUS zurückgesetzt (auch nach ca. 10 min noch nicht).
Meine Therme habe ich temporär per Hand an der Heizung selbst ausschalten müssen.

Ich habe übrigens extra nur die Raumthermostaten ohne vorhandene Heizkörperthermostaten pro Raum belassen, um nicht durch Mixen mit Heizkörperthermostaten die Abläufe (für den Start der eingeführten Option Zentralheizung) checken zu können.
Auch möchte ich zukünftig nur die Bedingungen der an der Wand montierten 2 Raumthermostate als Heizbedarfbedingung belassen.

Bitte schaut euch das nochmal an.
Gruß aus dem Heimatlabor 😉

 

1.png2.png3.png4.png5.png6.png

Aus meiner Sicht hast Du das nicht korrekt konfiguriert. Du hast zwei Räume eingebunden, in denen sich ausschließlich (batteriebetriebene) Raumthermostate befinden? Diese haben ja selbst keinen Wärmebedarf. Den haben nur Thermostate, die auch selbst Wärme von der Zentralheizung benötigen - Heizkörper-Thermostate bzw. Fußbodenheizungs-Thermostate.

Sofern sich Heizkörper- und Raumthermostat physisch im selben Raum befinden, solltest Du diese auch in der App dem selben Raum zuordnen.

Privater Endanwender, kein Bosch-Mitarbeiter.
SHC II + Funk-Stick mit 40 Geräten + 12 Hue + Home Connect, ~140 Automationen, OnePlus 7T mit Android 12

☝ gerne mitmachen! Info SHC Generation, Smartphone und Betriebssystem hilft häufig bei der Lösung von Problemen. Einfach im Profil bei "Persönliche Informationen" in der "Signatur" eintragen.

Hallo @Maurice 

 

seit letztem Winter hat das jedoch bis gerade eben vor Software Update mit dem Raumthermostat funktioniert.

Ich hatte bis vor wenigen Tagen nur 1 smartes Relais und 1 Raumthermostat 2 zur Verfügung und damit erfolgreich meine Gastherme bedient.

Nun sind es 2 anstatt 1 Teilnehmer mit Bedarf an Schalten des Relais.

Es sollte sich bis auf die erweiterte Logik nichts technisch an der Nutzbarkeit der Raumthermostaten ändern.

J_Neudert
Experienced Homie

"Ich habe übrigens extra nur die Raumthermostaten ohne vorhandene Heizkörperthermostaten pro Raum belassen,..."

 

Verstehe ich das richtig.... Deine Umwälzpumpe läuft ggf. gegen geschlossene Heizkörperthermostate?

Da habe ich mich unglücklich ausgedrückt.

 

Ich habe 5 Heizkörper mit HKT, welche ich zu den Heizzeiten offen halte.

Die Temperaturen der HKTs habe ich extra jeweils 1 Grad höher gewählt als die Anforderung per Raumthermostat bzw. noch Konstellationen für morgendliches Boosten des Bades bei geschlossenen sonstigen HKTs etc. Tut hier aber nichts zur Sache.

Das funktioniert ja auch alles weiterhin. 

 

Bisher hatte ich Fritz DECT als HKT, jetzt eben neuerdings die Bosch HKT2.

 

Es sollen jedoch nur 2 Bereiche der Wohnung (1x Wohnbereich mit mehreren Heizkörpern und offenen Türen und 1x Schlafbereich mit Heizkörper) getrennt ihren Heizbedarf über das jeweilige Raumthermostat anmelden dürfen.

 

Sämtliche HKT sind extra in separaten Räumen im BHC angelegt, um sie bei der gesamten Steuerung der Gastherme per Relais außen vor zu halten.

 

Die Gastherme muss nicht gegen geschlossene HKT arbeiten. Selbst wenn sie es müsste, kann sie es ab und das dürfte den BHC nicht interessieren.

 

Es geht eigentlich nur darum, dass man die Option "automatisch abschalten nach..." nicht mit einem Nachlauf definieren kann, sondern unveränderlich auf "niemals" steht.

Vor dem Software Update bzw. der von mir lange erwarteten Option "Zentralheizung" lief die Therme noch definiert 10 min nach, nachdem der damals 1 Raumthermostat nach 10 min das Relais ausgeschaltet hatte.

J_Neudert
Experienced Homie

Screenshot_20241002_203140_Smart Home.jpgOk, bei mir sind auf drei Android Geräten (2x Handy, 1x Tablet) die 10 Minuten, nicht verstellbar, vorgegeben.




Rechtswidrigen Inhalt melden