abbrechen
Suchergebnisse werden angezeigt für 
Anzeigen  nur  | Stattdessen suchen nach 
Meintest du: 


Bosch Thermostat 2 anschließen

Mading10
Apprentice Homie

 

Hallo,

 

ich habe mir ein Bosch Thermostat 2 für die Wasserfußbodenheizung bestellt und wollte es nun anschließen. Das alte manuelle Thermostat hat drei Kabel (angehängt). Wie sollen diese beim neuen Thermostat angeschlossen werden? Brauche ich die Kabelbrücke von L zu COM?

 

Danke und viele Grüße!

IMG_4243.jpeg

1 AKZEPTIERTE LÖSUNG

Ja, ist 230 V. Anschluss am Raumthermostat II 230V wie folgt:

 

  • Schwarz (bisher 1) an L
  • Grau (bisher N) an N
  • Braun (bisher 2) an NO
  • Von L nach COM die Brücke einbauen.

 

Dein Stellantrieb ist ein NC (stromlos geschlossen). Während oder nach Inbetriebnahme musst du das in den Geräte-Konfigurationen noch einstellen.

Bosch Smart Home seit 11.2019;
SHC II + Funk-Stick mit 84 Geräten, 305 Automationen, 131 Zuständen, 16 Szenarien (nur als Widget);
Google Pixel 8a mit Android 16 / Lenovo Tab M10 (3rd Gen.) mit Android 12

☝ gerne mitmachen! Info SHC Generation, Smartphone und Betriebssystem hilft häufig bei der Lösung von Problemen. Einfach im Profil bei "Persönliche Informationen" in der "Signatur" eintragen ✍️.

Lösung in ursprünglichem Beitrag anzeigen

4 ANTWORTEN 4

STdesign
Poweruser

Du musst noch uns noch mitteilen, ggf. herausfinden:

 

  • Ob das jetzige Thermostat mit 230 V läuft. Vermutlich ja, aber nicht sicher ablesbar.
  • Welcher Draht (Klemme 1 oder 2) die Versorgung ist, und welcher geschaltet zum Stellantrieb geführt wird.

 

Gibt es im Deckel ein Schaltbild? Oder kennst du den Hersteller und das Modell und kannst eine Anleitung verlinken?

Bosch Smart Home seit 11.2019;
SHC II + Funk-Stick mit 84 Geräten, 305 Automationen, 131 Zuständen, 16 Szenarien (nur als Widget);
Google Pixel 8a mit Android 16 / Lenovo Tab M10 (3rd Gen.) mit Android 12

☝ gerne mitmachen! Info SHC Generation, Smartphone und Betriebssystem hilft häufig bei der Lösung von Problemen. Einfach im Profil bei "Persönliche Informationen" in der "Signatur" eintragen ✍️.

Hi STdesign,

 

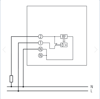
das Thermostat sollte auf 230 V laufen (siehe Anhang). Das Schaltbild habe ich dir auch angehängt 🙂

 

LG

IMG_4242.JPG

Mading10_1-1728312111832.png

 

Ja, ist 230 V. Anschluss am Raumthermostat II 230V wie folgt:

 

  • Schwarz (bisher 1) an L
  • Grau (bisher N) an N
  • Braun (bisher 2) an NO
  • Von L nach COM die Brücke einbauen.

 

Dein Stellantrieb ist ein NC (stromlos geschlossen). Während oder nach Inbetriebnahme musst du das in den Geräte-Konfigurationen noch einstellen.

Bosch Smart Home seit 11.2019;
SHC II + Funk-Stick mit 84 Geräten, 305 Automationen, 131 Zuständen, 16 Szenarien (nur als Widget);
Google Pixel 8a mit Android 16 / Lenovo Tab M10 (3rd Gen.) mit Android 12

☝ gerne mitmachen! Info SHC Generation, Smartphone und Betriebssystem hilft häufig bei der Lösung von Problemen. Einfach im Profil bei "Persönliche Informationen" in der "Signatur" eintragen ✍️.

Mading10
Apprentice Homie

Perfekt danke dir 👍🏻 ich werde es so machen

 

Lg

 




Rechtswidrigen Inhalt melden