
12. November 2023 12:06 - bearbeitet 12. November 2023 12:07
Hallo zusammen,
aktuell habe ich eine Uponor-Fussbodenheizung. Die Temperatur der Räume wird über Theben Ramses 701 Aufputzthermostate geregelt. Die Ramses 701 sind 230V kabelgebunden. Da es Schwierigkeiten mit der Temperaturverteilung im Haus zwischen den Stockwerken gibt, wurde gerade ein erneuter hydraulischer Abgleich durchgeführt.
Ich hatte jetzt überlegt, Ramses 701 durch die Bosch Raumthermostat 2 230V zu ersetzen.
1. Frage: gibt es Aufputzrahmen für das Raumthermostat, da keine Unterputzdosen installiert sind.
2. Frage: Da das Raumthermostat 2 die Raumtemperatur und die Luftfeuchtigkeit misst, gibt es auch eine Möglichkeit, über die App/den Smart Home Controller II Verlaufskurven auszugeben, wie dieses beim Twinguard möglich sein soll?
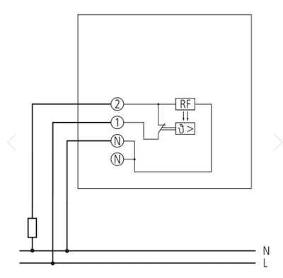
3. Frage: Der Ramses 701 ist wie folgt angeschlossen:
Der RT2
Ist hier ein Ersatz gemäß Schaltbildern möglich?
Danke für die Hilfe
am 12. November 2023 14:45
1. Das Thermostat passt in Standard-Unterputzdosen, daher sollte es auch in einen Standard-Aufputzrahmen aus dem Baumarkt passen.
2. Nein, die App bzw. der SHC protokollieren die Daten leider nicht. Das geht nur mit zusätzlicher Software von Drittanbietern, z. B. Home Assistant.
3. Ja.
am 12. November 2023 15:54
Danke Für deine Antworten.
zu 2. Was ist denn beim Twinguard dann anders, wenn es da geht? Speichert der Twinguard selber?
Kann die homeassistant app auf die Messwerte vom RTII zugreifen?
am 12. November 2023 16:03
Warum es beim Twinguard eine Sonderlösung gibt weiß ich nicht. Früher wurde der auch mal als Standalone-Produkt mit eigenem Gateway vertrieben, insofern ist der ohnehin speziell.
Den Wunsch nach Logging für die diversen Thermostate gibt es immer wieder, in Aussicht gestellt wurde aber nichts.
Home Assistant kann auf die Werte zugreifen, ja. Die HA-App alleine bringt dir aber nichts. Du musst HA (oder eine andere Lösung) auf einem Server laufen lassen, so dass es kontinuierlich die Daten vom SHC abrufen und protokollieren kann.
am 14. November 2023 20:40
Da das Thermostat ja silber ist, wäre es schon besser, einen passenden Aufputzrahmen zu haben. Weiß jemand, ob es einen passenden Aufputzrahmen gibt?
14. November 2023 21:19 - bearbeitet 14. November 2023 21:30
Passend ist dann silber?
Bemühe einfach eine Suchmaschine deiner Wahl mit dem Suchbegriff "Aufputzrahmen silber". Passen sollten z.B.
Edit: manchmal werden die Teile auch Aufputzkappe genannt.
am 15. November 2023 06:55
Hallo STdesign,
danke für deine Mühe und dein „let me google this for you…“
Da wir hier in der Bosch smarthome community sind, ist „passend“ gemäß meiner oben gestellten Frage imho ein Aufputzrahmen von Bosch, der von Form und Farbe zum RT2 230V passt. Alle anderen Lösungen dürften keinen WAF erreichen…😉