am 10. Juni 2022 12:03
Hallo, in meiner Wohnung befinden sich drei Dachkuppelfenster welche über eine separate Steuerung (Regen- und Windsensor und je ein Tastschalter) betrieben werden. Ich würde das nun gern auf das mittlerweile aufgebaute Bosch SmartHome System umstellen. Genügt es in diesem Fall, die Tastschalter gegen die Bosch Rolladenschalter auszutauschen? Im Prinzip geht es ja um die gleiche Funktion, nur dass es sich um Fenster handelt und nicht um Rollladen.
VG André
am 12. Juni 2022 06:29
Hallo @derandre .
Deine Frage können wir leider nicht beantworten ohne die vorhandene Elektronik zu kennen. Wenn du Schaltpläne hast würde das weiter helfen.
Grüße
am 13. Juni 2022 09:34
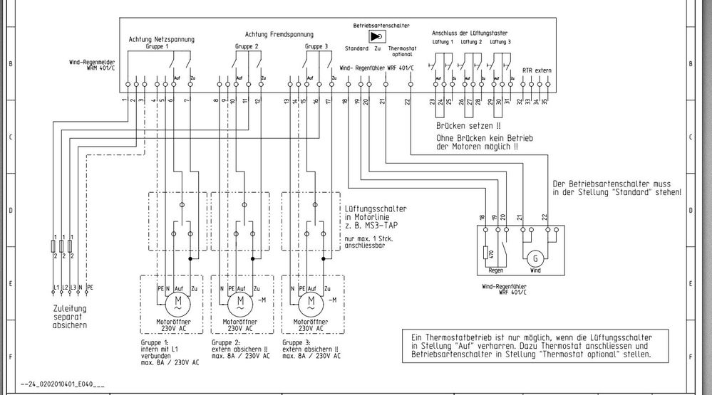
Hallo, da es mir nicht gestattet ist, Bilder hochzuladen habe ich einen Link angefügt, wo die komplette Anleitung verfügbar ist. Auf Seite 17 ist das richtige Anschlussbild. An Gruppe 2 und 3 habe ich keine Motoren angeschlossen, sondern alle drei Öffner sind an Gruppe 1.
Grüße
am 13. Juni 2022 10:39
Hallo @derandre,
du kannst Bilder einfach kopieren und im Textfeld einfügen oder die Funktion "Fotos einfügen" nutzen. Diese findest du in der obersten Zeile von deinem Antwortfeld, wenn du auf das Kamerasymbol gehst.
Liebe Grüße
Selina
am 13. Juni 2022 11:34
Vielen Dank. Jetzt hat es funktioniert wie erwartet.
VG André
am 13. Juni 2022 11:33
An Gruppe 2 und 3 habe ich keine Motoren angeschlossen, sondern alle drei Öffner sind an Gruppe 1.
am 13. Juni 2022 12:00
Hallo @derandre .
Da du mehr als einen Schalter hast,
sehe ich das Problem darin, dass der Bosch Rollladenschalter die Position verliert, wenn du einen anderen Schalter betätigst. Alle tauschen klappt auch nicht. Einer fährt, die anderen bekommen das nicht mit. Wenn du nur noch eine Betätigung hast, kann es funktionieren.
Grüße
am 13. Juni 2022 15:30
Hallo,
dann muss ich mal schauen, ob ich mich damit anfreunden kann, nur noch einen Schalter zu haben.
Vielen Dank einstweilen und eine gute Zeit.
VG André
am 13. Juni 2022 17:08
Mit den Betätigungen sind auch Wind und Regen gemeint.☝️ Alles was das Fenster fahren lässt. Also du hast nur noch einen Schalter.
Grüße
am 13. Juni 2022 19:06
Dann ist das für mich nicht praktikabel. Da sich die Räume im Sommer stark aufheizen, müssen die Fenster bei einem Regenschauer schließen und danach sofort wieder öffnen, ohne dass jemand einen Schalter betätigen muss. Der Grund für die Einbindung ins Bosch-System wäre die Funktion des Öffnens bei Rauchentwicklung gewesen(im Zusammenspiel mit den Rauchmeldern) und vielleicht noch die Fernbedienbarkeit von außerhalb. Aber jetzt bleibt es wie es ist. Das wäre allerdings noch eine Anfrage an die Entwickler ob es Wind- bzw. Regenmelder gibt die man ins Bosch-System einbinden kann...
Dank und Gruß,
André
am 20. Juni 2022 14:38
Hi @derandre, vielen Dank für deine Anfrage. Leider lassen sich derzeit keine Wind- und Regensensoren anderer Hersteller bei uns in das System einbinden.
Grüße
SmartHomeGuru