abbrechen
Suchergebnisse werden angezeigt für 
Anzeigen  nur  | Stattdessen suchen nach 
Meintest du: 


Bosch Wärmepumpe

saveman
Junior Homie

1. Bosch LuftWärmepumpe Compress AW 6800 Mir Bosch 500l Schichtenspeicher und Vaillant VTK 1140/2 Röhrenkollektoren

 

2. Heizsystem = Fußbodenheizung mit 11 Heizkreisen

 

3. Es handelt sich um eine Einzelraumreglung , in Jedem Zimmer ist ein eigenes Thermostat verbaut                 ( Thermostate werden über Homematic gesteuert)

 

4. Die Heizung läuft aktuell 24 Stunden durch.

 

5. Heizungskennlinie bei 20Grad 25Grad und bei -10Grad 35Grad Vorlauftemperatur eingestellt.

Solarkreis läuft aktuell noch nicht. Brauchwasser ist aktuell ausgestellt. 
Wärmepumpe startet mit einem geringen Modulationsgrad, steigert die Modulation auf max. 87%. Vor erreichen der Abschalttemperatur reduziert die Wärmepumpe zwar den Modulationsgrad, aber anstatt mit einem niedrigen Modulationsgrad weiter zu laufen, tacktet die Pumpe. Pumpe startet allerdings nur 4x am Tag.. Meine Erwartung wäre aber gewesen, das die Wärmepumpe mit 500W elektrischer Leistungsaufnahme durchläuft, anstatt mit 2000W elektrischer Leistungsaufnahme nur eine Stunde zu laufen.

ist meine Erwartungshaltung korrekt?

25 ANTWORTEN 25

Telya
Senior Homie

Deine Erwartungshaltung ist komplett korrekt. Zumal der Wirkungsgrad der WP bei 87% Modulation massiv schlechter ist als bei grob 40%. Das Ziel müsste sein, dass sie 24h am Tag ohne Stopp bei Modularionen läuft, die so gering wie möglich sind (bestenfalls immer <40%)

GerSch
Advanced Homie

Das von Dir beschriebene Verhalten würde ich bei einer Fußbodenheizung auch erwarten. Ist der angegebene Speicher für WW oder Bestandteil des Heizkreises? Wir haben nur Heizkörper und einen Speicher daher verhält sich unser Heizsystem so wie von Dir beschrieben. Ich lasse das System im Silent Betrieb laufen und erreiche damit zumindestens das es nicht in die Leistungsspitzen geht.

saveman
Junior Homie

Habe einen Schichtenspeicher, also einen Speicher, der nur Heizungswasser enthält. Oben ist die Temperatur ca. 50 Grad. Im Vorlauf der Heizung ca. 40 Grad. Somit wird die Vorlauftemperatur der Fußbodenheizung über einen Mischer runtergemischt. Warum das Ganze? Da ich noch 50 Vakuumröhren zur Heizungsunterstützung habe habe ich mich für den Schichtenspeicher entschieden. Verspreche mir hiervon eine geringere Belastung meines elektrischen Speichers, sodass wenn Sonne ist einiges an Energie durch die Sonnenkollektoren kommt.

Telya
Senior Homie

Das klingt sinnvoll. Ist sicher auch cool im Sommer falls die Wärmepumpe dann die Wärme aus dem Pufferspeicher auch für die Warmwasserbereitung umladen kann. 

Ein Punkt der mir bei längerem drüber nachdenken eingefallen sind:

a) Der Regler CW400 von Bosch hat eine Schnellheitfunktion - ist die vielleicht aktiv?

 

Ich weiß aber nicht, ob UI700 und UI800 das auch haben. Die Modelle kenne ich nicht. Was ist denn bei dir an Regler uns Wärmepumpe verbaut?

 

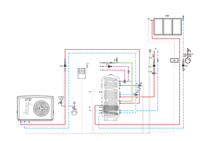
Kannst du vielleicht mal den ganzen Aufbau beschreiben sie oder ne Skizze hochladen. Wäre gut zu verstehen wie die WP und der Schichtenspeicher mit der Fußbodenheizung verbunden sind.

 

Nein, ich habe einen Schichtenspeicher, also nur einen Heizungspufferspeicher mit der Möglichkeit den oberen Bereich des Speichers höher zu temperieren. Es stehen also nicht immer 200l die heiz sind zur Verfügung. Der Trinkwasseranschluss ist im unteren Teil des Speichers und wird dirch einen Wärmetauscher geführt. HAbe nur ein Shema für die 7000er gefunden, aber im Proinzip funktioniert es so:

saveman_0-1729021350638.png

Ab morgen werden meine 48-Vakuumröhren mitheizen, bin mal gespannt.

Sorry. Das Shema habe ich bei Stiebel gefunden. So ist das bei Bosch gebaut worden.

saveman_1-1729021854527.png

 

Telya
Senior Homie

Ja okay im Prinzip verstanden. Bei mir ist es ähnlich aufgebaut. Bei mir hängt nur eine Gasbrennwerttherme am Schichtenspeicher statt der Wärmepumpe und ein wasserführender Kamin statt den Röhren.

Noch ne Frage da ich es nicht erkennen kann im Schema, es ist zu unscharf. Die Außeneinheit arbeitet in den Schichtenspeicher und die Inneneinheit greift dort dann ab und mischt für die Fußbodenheizung?

Was für ein Regler ist verbaut?

Meine aktuelle Vermutung: der Rücklauf des WP-Außeneinheit aus dem Schichtspeicher ist relativ gesehen sehr kalt. Die Wärmempe will also schnell -je nach Vorgabe des Reglers- auf ihre Soll-Vorlauftemperatur kommen. Da keine schnelle Abnahme der Spreizung eintritt - der Rücklauf aus dem Speicher bleibt kalt, dreht sie Wärmepumpe also die Wasserpumpe auf. Der Volumenstrom steigt und steigt. Die Wärmepumpe muss also hochmodellieren damit sie die Soll-Vorlauftemperatur schafft. 

Man muss also der Wärmepumpen Außeneinheit klar machen, dass sie nicht einen Heizkreis sondern einen Schichtenpufferspeicher versorgt und nicht schnell sein muss, da keiner friert. Da ich im Bekanntenkreis niemand habe, der dieses Thema hatte, kann ich keinen Lösung aus dem Hut zaubern. Wenn du mir sagst, welcher Regler verbaut ist, dann kann ich aber gerne in dessen Dokumentation schauen und gucken, ob ich eine Lösung finde.

Telya
Senior Homie

Ich habe hier gerade online ein Musterschema von Bosch für deine WP gefunden. Da gibt es den Regler UI800 in der Inneneinheit, sie Außeneinheit hängt an der Inneneinheit und die speist in den Speicher ein. Entnahme und gemischter Heizkreis für die Fußbodenheizung macht dann eine Bosch MM100 welche von einer RT800 geregelt wird. Ist das bei dir auch so?

 

Falls es so ist:

In der Installationsanleitung der UI800 wird nichts in die Richtung erwähnt oder erklärt. Darüber hat scheinbar keiner nachgedacht oder die Überlegung hat es nur nicht in die technische Doku geschafft. Ich sehe aktuell 3 Möglichkeiten

 

1) Unter Heizung->Gebäudeart auf "schwer" wechseln. Dann wird die Vorlauftemperatur zeitlich langsamer angehoben im Bezug auf die Außentemperatur.

2) Man könnte die maximale Leistung der Wärmepumpe begrenzen. Finde ich aber schwierig. Da finde ich 4 Starts am Tag zu akzeptieren, irgendwie komfortabler und realistischer - auch wenn's mehr  verbraucht.

3) Den Heizungsbauer anhauen, das er mal den Bosch Werksservice/Experten anspricht. Für solche komplizierteren Fragen gibt es den ja, damit sie die Heizungsbauer unterstützen. Vielleicht weiß der/die Kollege/Kollegin ja Rat.

Meine Fußbodenheizung wird über einen MM100 gemischt. Es gibt zwischen dem Speicher und dem Mischer eine Spreizung, die man einstellen kann. Standardmäßig ist die auf 4,5K eingestellt. Da die Wärmepumpe moduliert, kann man hier die Spreizung denke ich verringern. Aktuell steht Sie bei mir auf 4K und wird langsam reduziert. Das löst aber nicht das Problem der hohen Modulationswerte, um schnell aufzuheizen. Das habe ich aktuell dadurch gelöst, das ich den ganzen Tag Nachtabsenkung habe. Hierdurch gibt es tatsächlich deb erwünschten Effekt.

Zwischen 0:00-6:00 moduliert die Wärmepumpe komplett durch. COP von 3,8, womit ich zufrieden bin. Ab heute laufen auch meine thermischen Kollektoren, dann wird es noch besser. Um 10:00 war heute noch keine Absenkung eingestellt, mal schauen wie es morgen aussieht mit 24 Std. Nachtabsenkung.

saveman_0-1729102813307.jpeg

 

GerSch
Advanced Homie

Eine theoretische Vermutung meinerseits. Da hier ein Speicher im Spiel ist und die WP diesen auch beschickt ist das Verhalten ja grundsätzlich erstmal in Ordnung. Um die Verteilung aus dem Speicher kümmern sich dann ja andere Truppenteile. Leider lässt sich aus den Dokumentationen nicht wirklich viel rauslesen insbesondere was bewirkt was wird oft nicht beschrieben. Da es aber die Option in den Einstellungen gibt wo man einstellen kann ob man einen Speicher hat oder nicht wäre es ggf. interessant hier mal auf kein Speicher zu stellen (wenn es nicht schon so ist). Vielleicht regelt sich das Heizverhalten ja darüber und die WP stellt dann vom Lademechanismus um auf den Dauerbetrieb? 

Aktuell komme ich nicht in die Einstellebene für Heizungstechniker. Wenn ich oben links aufs Display drücke für 3s, kann ich zumindest die Heizkennlinie verändern. Wie komme ich auf weitere Einstellungen, die Du hier ansprichst?

Wenn ich das richtig verstanden habe dann hast Du eine andere Steuerung als ich. Bei mir muss ich lange auf die Menutaste (oben rechts) drücken um in das Servicemenu zu kommen.

Du musst die Menütaste lange gedrückt halten, dann kommst du ins Servicemenü (laut Installationsanleitung). Ist bei vielen Boschreglern so.

Aber bitte dort mit Bedacht und Sorgfalt arbeiten - das Verstellen von Optionen kann die Heizung in die Störung schicken. Am besten googeln mal nach "UI800 Installationsanleitung" dann findest du schnell einen Download des Installatiomshamdbuches und da sind alle möglichen Optionen drin. Achtung je nach Anlagenkonfiguration/Aufbau sind nicht alle Optionen verfügbar - diese werden dann auch nicht angezeigt!

Telya
Senior Homie

Du kannst es ja testen - ich denke aber es steht schon auf ja. Da ja auch der entsprechende Fühler ausgelesen wird, oder? Also wird dir die Pufferspeichertemperatur angezeigt?

GerSch
Advanced Homie

Na ich meine ja es mal auf Puffer nein zu setzen damit ggf. der Lademechanismus aufhört.

Wo würde ich das einstellen?

Telya
Senior Homie

Gute Frage. Du kannst es ja mal versuchen, was es tut. Überhitzen kannst du den Speicher ja nicht. Nur wird sie dann nicht immer den Speicher laden, sondern nur auf die Wärmeanforderung des MM100 hören (falls du einen hast). Kannst ja mal testen, ob sich was ändert. Ich sehe aber mehrere mögliche Probleme in der Art der Temperaturregelung des Vorlaufes. Auch ist die Frage ob der MM100 den Pufferspeichersensor der WP mit nutzt (über den EMS Bus).

 

Wie geschrieben: ich würde über den Heizungsbauer mal beim Bosch Expertenservice nachfragen lassen. Ansonsten macht aber Versuch auch klug.

Telya
Senior Homie

Das Thema ist für mich übrigens auch spannend. Ich habe nämlich eine GC5300i WMA die nen Pufferspeicher (1000l) den ich aktuell mit nem Kamin lade. Wenn ich vllt. nächstes Jahr mal PV auf die Garage baue dann auch zusätzlich mit nem Heizstab. Die 4 und letzte Energiequelle in einem möglichen Vollausbau wäre eine Hybridisierung mit einer Wärmepumpe die in den Speicher arbeitet. Das ist neuerdings so für sie GC5300WMA in Kombination mit einer AW5800 oder 6800 Außeneinheit vorgesehen. Wäre daher also spannend für mich, falls mich mal die Politik oder die KFW bei ner Sanierung zwingen möchte oder es sich irgendwann mal rechnet.

GerSch
Advanced Homie

Na na na, jetzt mal nicht auf die politische Schiene rutschen 🙂 Bisher hat es noch immer Bestandsschutz gegeben und bei der KFW kann man durch geschickte Auswahl für gewöhnlich solche Zwänge umgehen. 

Letztlich ist jede Situation individuell und man muss die jeweiligen Gegebenheiten berücksichtigen aber ob es bei Dir Sinn macht einen Heizstab zu verwenden oder direkt auf eine effektivere WP zu setzen sollte man genau betrachten. Im Moment ist wohl der Heizstab die günstigere Alternative aber damit 1000l aufzuwärmen braucht eine Menge Energie und die will eine PV Anlage auch erstmal liefern, es sein denn dein WW hat noch einen extra Speicher.




Rechtswidrigen Inhalt melden