abbrechen
Suchergebnisse werden angezeigt für 
Anzeigen  nur  | Stattdessen suchen nach 
Meintest du: 

Einsatz Lichtsteuerung II für BadLüfter / Badventilator

spuelhilfe
Apprentice Homie

Liebe Bosch Smart Home Community,

ich habe einen in der Wand fest verbauten Badlüfter / Badventilator (Typ Helios ELS VF 60/35), welcher permanent läuft, u.a. um eine permanente Durchlüftung der Wohnung und damit Vermeidung von Schimmelbildung sicherzustellen. Der Lüfter verfügt über keinen Schalter, kann also nicht ausgeschaltet werden. Durch einen integrierten Feuchtesensor wird bei Überschreiten eines bestimmten Schwellenwertes die Drehzahl des Ventilators temporär erhöht. Das passiert z. B. nachdem man geduscht hat.

Meine Idee ist, den Ventilator über die Bosch Lichtsteuerung II ausschaltbar zu machen, um den Lüfter auch mal (stundenweise) ausschalten zu können - mindestens zeitweise im Sommer wenn alle Fenster geöffnet sind. Ein netter weiterer Benefit wäre, dass der Stromverbrauch im Auge behalten werden könnte.

Der Ventilator hat 2 Eingänge "1" und "2", über die die Drehzahl geschaltet werden kann (siehe angehängtes Schaltbild).

Schaltbild Helios ELS VF 60-35.jpg

Meine Idee wäre, mit dem einen Ausgang "Q1" der Lichtsteuerung II die Drehzahl "1" zu schalten und mit dem zweiten Ausgang "Q2" die höhere Drehzahl "2" zu schalten. Kann mir jemand sagen, ob diese nur wechselweise geschaltet werden können oder anders gesagt, was passiert wenn über beide Eingänge Strom fließt?

Nun meine generellen Fragen dazu. Ist meine Idee so umsetzbar? Hat jemand das schon so umgesetzt? Wie müsste ich die Lichtsteuerung II und die Ventilatorsteuerung verbinden? (S1 und S2 würden nicht verbunden, ich habe ja keine Schalter).

Schaltplan Bosch Lichtsteuerung II.jpg

Voraussetzung ist, dass ich die Lichtsteuerung noch irgendwie im Gehäuse des Ventilators unterkriege, das sieht leider sehr herausfordernd aus... Danke euch schon jetzt für eure Rückmeldungen.

 

Beste Grüße

1 AKZEPTIERTE LÖSUNG

a) Anschluss passt. Und richtig, so hast Du keine Leistungsmessung. Schaltest Du Q1 und Q2 aus, dann ist nur die Feuchteautomatik aktiv, bei normaler Luftfeuchtigkeit läuft er also gar nicht. Schaltest Du beide ein, dann läuft er vermutlich mit hoher Drehzahl. Ganz sicher bin ich mir da nicht, hängt wohl auch davon ab, wie die DIP-Schalter am Ventiltor eingestellt sind.

 

b) Kannst Du so anschließen, aber ohne Leitung auf 1 kannst Du den Ventilator nicht mit niedriger Drehzahl laufen lassen. Es würden somit nur die Feuchteautomatik und der manuelle Betrieb mit hoher Drehzahl funktionieren. Momentan ist 1 wahrscheinlich auf L gebrückt, damit der Ventilator dauerhaft läuft. Das könntest Du theoretisch so beibehalten, dann könntest Du ihn aber nur ausschalten, indem Du L / Q1 abschaltest. Das würde ich aufgrund der elektronischen Steuerung im Ventilator eher nicht empfehlen.

 

Die LS II misst die Leistung für Q1 und Q2 nur in Summe, nicht einzeln.

 

Grüße

Maurice

Privater Endanwender, kein Bosch-Mitarbeiter.
SHC II + Funk-Stick mit 40 Geräten + 12 Hue + Home Connect, ~140 Automationen, OnePlus 7T mit Android 12

☝ gerne mitmachen! Info SHC Generation, Smartphone und Betriebssystem hilft häufig bei der Lösung von Problemen. Einfach im Profil bei "Persönliche Informationen" in der "Signatur" eintragen.

Lösung in ursprünglichem Beitrag anzeigen

7 ANTWORTEN 7

STdesign
Poweruser

Ich würde nicht die Licht-/Rollladensteuerung II - Lichtsteuerung nehmen, sondern ein Smartes Relais . Und den Ausgang von diesem an den Eingang 3 vom Ventilator anschließen. Dieser ist lt. Beschreibung nämlich genau dafür gemacht "Automatik deaktivieren". Dann wird auch die Verdrahtung einfacher.

Bosch Smart Home seit 11.2019;
SHC II + Funk-Stick mit 84 Geräten, 305 Automationen, 131 Zuständen, 16 Szenarien (nur als Widget);
Google Pixel 8a mit Android 16 / Lenovo Tab M10 (3rd Gen.) mit Android 12

☝ gerne mitmachen! Info SHC Generation, Smartphone und Betriebssystem hilft häufig bei der Lösung von Problemen. Einfach im Profil bei "Persönliche Informationen" in der "Signatur" eintragen ✍️.

Danke für deine Rückmeldung. Die Automatikfunktion möchte ich aufrechterhalten (also die Automatik nicht deaktivieren) und zusätzlich die Option haben, die Drehzahl zu erhöhen, wenn ich der Meinung bin, dass das Bad / die whg stärker gelüftet werden soll. 

Maurice
Poweruser
  • Wie @STdesign schon sagte, ist das smarte Relais softwareseitig besser geeignet, da es nicht zwangsläufig als Beleuchtung behandelt wird. Im Gegensatz zur Lichtsteuerung II kann es allerdings die Leistung nicht messen und hat nur einen Ausgang.
  • Um die Leistung zu erfassen, müsstest Du die Versorgung (L) des Lüfters an den Ausgang einer LS II anschließen, denn 1 / 2 / 3 sind nur Steuereingänge.
  • Möchtest Du sowohl die Leistung messen als auch "smart" zwischen den beiden Stufen umschalten, dann bräuchtest Du 2x LS II: L zur Leistungsmessung, 1 für Stufe 1, 2 für Stufe 2 und optional 3, um die Feuchteautomatik abzuschalten.
  • Falls Du auf die Leistungsmessung und Abschaltung der Feuchteautomatik verzichten kannst, dann reicht eine LS II (Anschluss wie von dir vorgeschlagen, Q1 an 1 und Q2 an 2).
  • S1 / S2 kannst Du unbelegt lassen, die sind optional.
Privater Endanwender, kein Bosch-Mitarbeiter.
SHC II + Funk-Stick mit 40 Geräten + 12 Hue + Home Connect, ~140 Automationen, OnePlus 7T mit Android 12

☝ gerne mitmachen! Info SHC Generation, Smartphone und Betriebssystem hilft häufig bei der Lösung von Problemen. Einfach im Profil bei "Persönliche Informationen" in der "Signatur" eintragen.

spuelhilfe
Apprentice Homie

Vielen Dank für Deine Antwort.

Ich muss leider nochmal nachhaken.

 

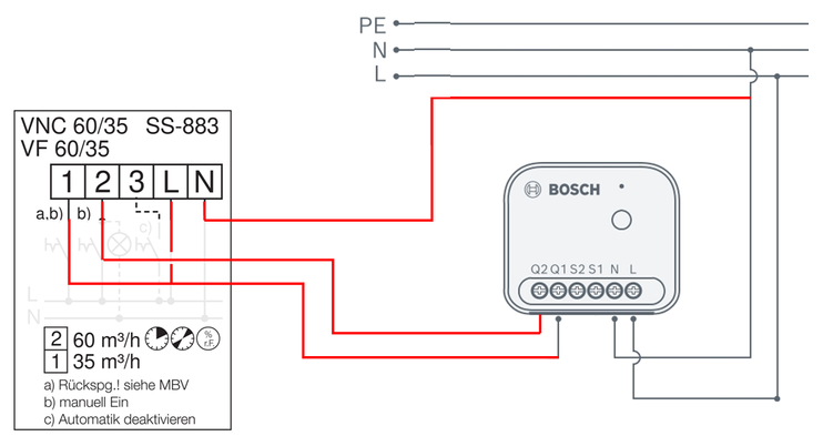
a) Falls Du auf die Leistungsmessung und Abschaltung der Feuchteautomatik verzichten kannst, dann reicht eine LS II (Anschluss wie von dir vorgeschlagen, Q1 an 1 und Q2 an 2)

Passen die Verbindungen so wie ich sie in der angehängten Zeichnung dargestellt habe ? Dann würde keine Leistung gemessen werden. Ist dies korrekt ?

 

spuelhilfe_0-1689187648948.png

b) Um die Leistung zu erfassen, müsstest Du die Versorgung (L) des Lüfters an den Ausgang einer LS II anschließen, denn 1 / 2 / 3 sind nur Steuereingänge.

In dem Fall würde ich  L des Ventilators an Q1 der LSII hängen. Könnte ich dann Q2 für die Umschaltung auf die höhere Drehzahl nutzen ? Oder ist ein Mischen von Leistungsausgang für Q1 und Steuerausgang für Q2 nicht möglich ? Sorry, bin nicht vom Fach.

Noch eine Frage zur Leistungsmessung. Misst LSII die Summe der Leistungen von Q1 und Q2 oder misst LSII diese separat und weist diese auch in der App separat für Q1 und Q2 aus ?

 

spuelhilfe_1-1689188865821.png

Auch wenn dies eher Fragen bzgl. der Ventilatorsteuerung sind, frage ich hier trotzdem mal:

  • zu Fall b)
    Woher "weiß" die Ventilatorsteuerung auf welcher Drehzahl der Ventilator laufen soll, wenn ich weder auf Steuereingang "1", noch auf Steuereingang "2" verbunden habe ? Läuft er dann standardmäßig auf der niedrigeren Drehzahl ? Oder muss ich Steuereingang "1" auch noch in irgendeiner Weise verbinden ?
  • zu Fall a)
    Was passiert, wenn ich bei LSII beide Ausgänge Q1 und Q2 einschalte bzw. beide Q1 und Q2 ausschalte. Auf welcher Drehzahl läuft der Ventilator dann ? Oder läuft er dann gar nicht ?

Beste Grüße


 

a) Anschluss passt. Und richtig, so hast Du keine Leistungsmessung. Schaltest Du Q1 und Q2 aus, dann ist nur die Feuchteautomatik aktiv, bei normaler Luftfeuchtigkeit läuft er also gar nicht. Schaltest Du beide ein, dann läuft er vermutlich mit hoher Drehzahl. Ganz sicher bin ich mir da nicht, hängt wohl auch davon ab, wie die DIP-Schalter am Ventiltor eingestellt sind.

 

b) Kannst Du so anschließen, aber ohne Leitung auf 1 kannst Du den Ventilator nicht mit niedriger Drehzahl laufen lassen. Es würden somit nur die Feuchteautomatik und der manuelle Betrieb mit hoher Drehzahl funktionieren. Momentan ist 1 wahrscheinlich auf L gebrückt, damit der Ventilator dauerhaft läuft. Das könntest Du theoretisch so beibehalten, dann könntest Du ihn aber nur ausschalten, indem Du L / Q1 abschaltest. Das würde ich aufgrund der elektronischen Steuerung im Ventilator eher nicht empfehlen.

 

Die LS II misst die Leistung für Q1 und Q2 nur in Summe, nicht einzeln.

 

Grüße

Maurice

Privater Endanwender, kein Bosch-Mitarbeiter.
SHC II + Funk-Stick mit 40 Geräten + 12 Hue + Home Connect, ~140 Automationen, OnePlus 7T mit Android 12

☝ gerne mitmachen! Info SHC Generation, Smartphone und Betriebssystem hilft häufig bei der Lösung von Problemen. Einfach im Profil bei "Persönliche Informationen" in der "Signatur" eintragen.

spuelhilfe
Apprentice Homie

Besten Dank für Deine Antwort

spuelhilfe
Apprentice Homie

Hallo zusammen,

ich wollte kurz rückmelden, dass ich das Ganze endlich umgesetzt habe, gemäß der angehängten Zeichnung. Über Q1 kann man den Lüfter ein- und ausschalten. So wie dargestellt kann sogar die höhere Drehzahl über Q2 der Lichtsteuerung angewählt werden. Klappt alles super und der Verbrauch wird auch noch gemessen....

 

spuelhilfe_2-1713638022378.png

 

 

 




Rechtswidrigen Inhalt melden