abbrechen
Suchergebnisse werden angezeigt für 
Anzeigen  nur  | Stattdessen suchen nach 
Meintest du: 


Lichtsteuerung 2 mit Kontrollleuchte

Frank
Vice President of the Homies

Hallo zusammen,

 

 

ich habe im Flur zum WC eine Lichtsteuerung 2 mit Kontrollleuchte verbaut.

 

Das heißt, wenn man das Licht einschaltet leuchtet am Schalter eine orange Leuchte, schaltet man das Licht aus erlischt auch außen am Schalter die Leuchte.

 

Problem:

Wenn ich das Licht einschalte leuchtet wie gewünscht die Kontrollleuchte außen am Jung Schalter.

Der Jung Schalter der an der Lichtsteuerung 2 angeschlossen ist, hat ein 10 Minuten Timer programmiert bekommen.

 

Nach 10 Minuten wird dann das Licht an der Decke ausgeschaltet.

Die Kontrollleuchte im Schalter bekommt dies es aber nicht mit, und leuchtet wie wenn das Licht noch an wäre.

 

Umgekehrt, wenn ich das Licht mit der Bosch smart Home App anschalte,

Leuchtet die Kontrollleuchte im Schalter nicht, da der Schale auch nicht betätigt wurde.

 

Wie kann ich die Kontrollleuchte so anschließen, dass diese auch nur leuchtet wenn die Lampe an der Decke leuchtet.

 

Ich habe so angeschlossen.

 

Phase geht zum Schalter,

Vom Schalter wiederum geht die Phase zum Schalteranschluß des Lichtschalter 2.

 

Des weiteren habe ich noch den N-Leiter am Lichtschalter angeschlossen.

 

Der Lampendraht geht nicht über den Jung Schalter, sondern wird direkt am Lichtschalter 2 angeschlossen.

 

Ich kann ja nicht den Lampendraht vom Lichtschalter 2 an den Jungschalter anschließen. Oder doch?

 

 

Vielen Danke

Frank

 

 

 

1 AKZEPTIERTE LÖSUNG

Frank
Vice President of the Homies

Danke für eure Hilfe.

Dachte ich mir fast, dass das nicht geht, da wie oben erwähnt die Kontrolllampe intern verkabelt wurde.

 

Hätte ich mir das Aufbohren der Hohldose echt ersparen können und einfach ein normaler Bosch-Schalter der ersten Generation schließen können.

@SebastianHarder 

Ist bezüglich Schalter mit Kontrollleuchten etwas in der Mache? Gerade für Speicher oder Keller wäre das sinnvoll, da man nicht weiß wie lange man ja in einem der Räume ist und so die Zeitschaltung einem sprichwörtlich das Licht abdreht. Und dafür wieder extra ein Bewegungsmelder zu kaufen, zu dem Schalter, wäre übers Ziel hinausgeschossen.

Zumal Bosch nicht die billigsten Produkte hat.

 

Danke Euch

Frank 

Lösung in ursprünglichem Beitrag anzeigen

11 ANTWORTEN 11

Maurice
Poweruser

Du müsstest die Kontrollleuchte an der LS II anschließen (an Q1 bzw. Q2). In der Regel ist aber nur ein Anschluss der Kontrollleuchte separat herausgeführt (N), der andere ist intern mit dem Schließer-Ausgang verbunden. Du müsstest daher den Schalter öffnen und umbauen.

Privater Endanwender, kein Bosch-Mitarbeiter.
SHC II + Funk-Stick mit 38 Geräten + 12 Hue + Home Connect, 130 Automationen, OnePlus 7T mit Android 12

☝ gerne mitmachen! Info SHC Generation, Smartphone und Betriebssystem hilft häufig bei der Lösung von Problemen. Einfach im Profil bei "Persönliche Informationen" in der "Signatur" eintragen.

Christopher
Poweruser

Vom Ausgang der LSII in den Schalter und dann zur Lampe geht nicht.

Wenn der Jung Schalter aus ist, kannst du das Licht nicht mehr über die App anmachen.

Seit 2019 privater BSH Nutzer
SHC II + Funkstick: >100 Geräte / >170 Automation
Samsung S23 FE Android 16
Samsung Tab S9 FE+ Android 16

Frank
Vice President of the Homies

Danke für eure Hilfe.

Dachte ich mir fast, dass das nicht geht, da wie oben erwähnt die Kontrolllampe intern verkabelt wurde.

 

Hätte ich mir das Aufbohren der Hohldose echt ersparen können und einfach ein normaler Bosch-Schalter der ersten Generation schließen können.

@SebastianHarder 

Ist bezüglich Schalter mit Kontrollleuchten etwas in der Mache? Gerade für Speicher oder Keller wäre das sinnvoll, da man nicht weiß wie lange man ja in einem der Räume ist und so die Zeitschaltung einem sprichwörtlich das Licht abdreht. Und dafür wieder extra ein Bewegungsmelder zu kaufen, zu dem Schalter, wäre übers Ziel hinausgeschossen.

Zumal Bosch nicht die billigsten Produkte hat.

 

Danke Euch

Frank 

Frank
Vice President of the Homies

@Christopher @Maurice ,

 

Da man den Lichtschalter 2 auch als Taster betreiben kann, könnte man dann einen Jung-Taster mit kontrollleuchte verwenden? Gibt es einen Jung-Taster mit Kontrollleuchte und würde der dann funktionierrn?

 

Vielen Dank

Frank 

Ja, Du kannst einen Taster mit separaten Kontakten für die Kontrollleuchte verwenden, bei Jung z. B. 534 U.

 

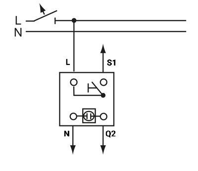
Maurice_0-1707349128924.png

Privater Endanwender, kein Bosch-Mitarbeiter.
SHC II + Funk-Stick mit 38 Geräten + 12 Hue + Home Connect, 130 Automationen, OnePlus 7T mit Android 12

☝ gerne mitmachen! Info SHC Generation, Smartphone und Betriebssystem hilft häufig bei der Lösung von Problemen. Einfach im Profil bei "Persönliche Informationen" in der "Signatur" eintragen.

Frank
Vice President of the Homies

@Maurice 

Danke für deine Hilfe

 

Würde dann aber der Taster nicht permanent leuchten. Ich müsste dann praktisch den Draht der vom Relais (Lichtschalter 2) zur Lampe geht Q1, auch zum JungSchalter zum Anschluss L bringen. Oder

Den Taster musst Du vieradrig anschließen - L und S1 an den Taster selbst, N und Q1 an die Kontrollleuchte. Die geht dann immer zusammen mit der an Q1 angeschlossenen Lampe an.

Privater Endanwender, kein Bosch-Mitarbeiter.
SHC II + Funk-Stick mit 38 Geräten + 12 Hue + Home Connect, 130 Automationen, OnePlus 7T mit Android 12

☝ gerne mitmachen! Info SHC Generation, Smartphone und Betriebssystem hilft häufig bei der Lösung von Problemen. Einfach im Profil bei "Persönliche Informationen" in der "Signatur" eintragen.

explizit
Experienced Homie

Hierzu eine Frage.

 

Lichtsteuerung als Taster um per Automation das Garagentor zu öffnen. Das Garagentor hat ein eigenes Relais und die Lichtsteuerung rein für das senden des Signals, also kein Verbraucher angeschlossen.

Jetzt hätte ich natürlich gerne, dass die Kontrolllampe bei offener Garage leuchtet. Bei dem Jung Taster mit separat anschließsbarer Kontrollampe ja vmtl. mein Problem, einfach als Lampe am zweiten Kanal der Lichtsteuerung anschließen und WENN Garage offen, dann Licht an. WENN aus, dann aus.

Korrekt?

Gibt es zufällig so einen Taster mit separat schaltbarer Kontrolllampe auch von Busch Jäger?

gesehe

explizit
Experienced Homie

Eventuell fündig geworden

 

Busch Jäger 2020 US-201 

 

 

IMG_5659.jpeg

IMG_5658.jpeg

 Wie ist das Anschlussbild zu verstehen? Also unter Berücksichtigung einer LS2 mit beiden Kanälen wobei Kanal ein das Tastersignal bekommen soll ohne Verbraucher und Kanal 2 nur einem Verbraucher hat (also die Glimmlampe). Oder bin ich mit dem Modell auf der falschen Spur?

Das sollte passen.

 

IMG_20250420_024900.jpg

Mit dem in Kürze erscheinenden App-Update kann man die Eingänge übrigens entkoppeln. Du kannst dann S1 / Q1 verwenden und hast S2 / Q2 frei für anderes.

Privater Endanwender, kein Bosch-Mitarbeiter.
SHC II + Funk-Stick mit 38 Geräten + 12 Hue + Home Connect, 130 Automationen, OnePlus 7T mit Android 12

☝ gerne mitmachen! Info SHC Generation, Smartphone und Betriebssystem hilft häufig bei der Lösung von Problemen. Einfach im Profil bei "Persönliche Informationen" in der "Signatur" eintragen.

Also ich habe mal in einem komplett anderen Fall tatsächlich ein ähnliches Problem gehabt und habe mir mithilfe eines Eltako Schaltrelais eine Schaltung für N gebaut.

Wird aber wie von dir beschrieben am Platz scheitern aber würde funktionieren 😅🤐




Rechtswidrigen Inhalt melden