
am 02. Juni 2024 09:42
Hallo zusammen,
ich möchte ein smartes Relais zur Stromabschaltung eines Stromkreises einbinden. Der vorhandene Schalter mit Kontrollleuchte soll erhalten bleiben(zur visuellen Kontrolle ob Stromkreis ein-oder ausgeschaltet ist).
Wie kann dieser eingebunden werden?
Vielen Dank für eure Hilfe
am 02. Juni 2024 10:38
Kommt auf den Schalter drauf an. An den gängigen Kontrollschaltern wird das Licht im selben Kreislauf geschaltet. Du benötigst also einen Schalter, in dem die Lampe getrennt vom Schalter leuchten kann.
Ansonsten kann es passieren, dass du den Schalter beträgst, der Stromfluss fließt, du machst es per App oder Automation aus aber die kontrollleuchte bleibt an.
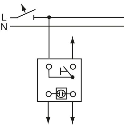
Der Schaltplan meines Tasters sieht beispielsweise so aus.