
am 17. Oktober 2024 16:07
Guten Tag,
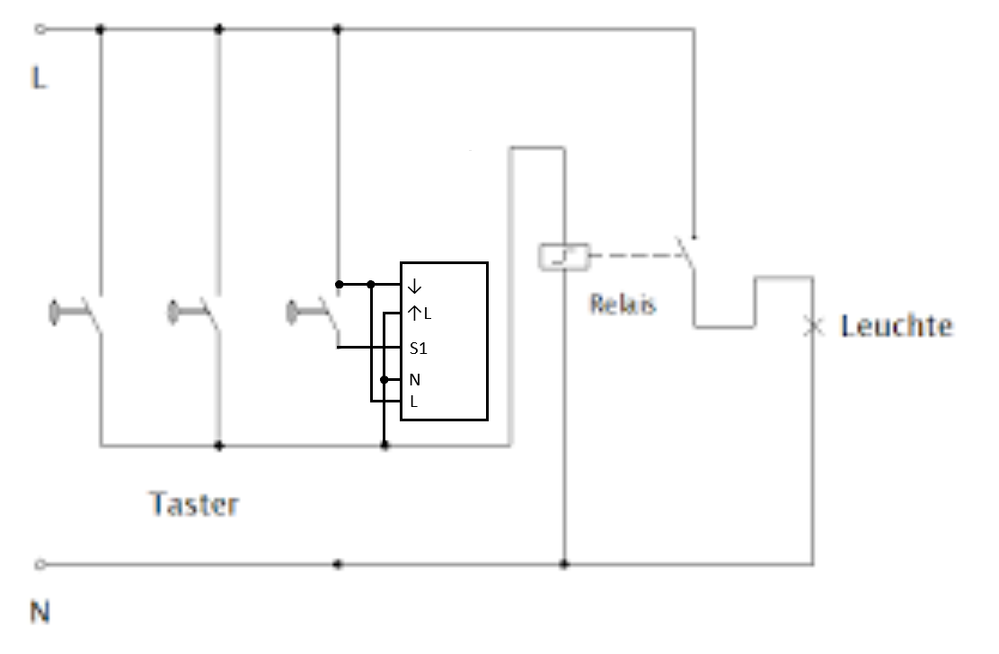
Ich habe eine Lampe mit drei Schaltern. Im letzten Schalter habe ich ein Smart Relais mit Wandschalter montiert (Bilder unten).
L und N sind mit dem Schalteausgang und Schalteingang verbunden.
Ich benutze das Smart Relais als Impulsgeber mit einer Dauer von 0,5s.
Es funktioniert aber ich würde gerne eure Meinung hören, ist es so OK?
Danke
17. Oktober 2024 18:54 - bearbeitet 17. Oktober 2024 18:57
Sofern ich das richtig verstehe hast Du es so angeschlossen?
Das wäre schon sehr speziell. Das Relais schaltet sich dann selbst die Versorgung ab, wenn es einen Impuls auslöst. Gedacht ist es so auf jeden Fall nicht. Funktionieren wird es aber wohl (wie Du ja bestätigst).
Grundsätzlich besteht bei der Kombination aus smartem Relais (im Impuls-Modus) und einem klassischen Stromstoßrelais immer das Problem, dass das Smart Home-System den Zustand der Leuchte nicht kennt. Das schränkt die Möglichkeiten der Automatisierung ein. Auch kannst Du nicht mal eben in der App prüfen, ob das Licht aus ist. Die Auswirkungen hängen natürlich auch davon ab, ob das Stromstoßrelais selbst zeitgesteuert abschaltet oder nur manuell per Impuls.
Sofern irgendwie möglich würde ich das Stromstoßrelais daher durch das smarte Relais ersetzten. Ansonsten geht deine Lösung als kreativer Workaround mit rudimentärer Funktion aber auch.
am 17. Oktober 2024 16:10
am 17. Oktober 2024 18:48
Du hast L an L⬇️ und N an L⬆️ angeschlossen. Sehe ich das richtig?
Damit baust du dir einen sauberen Kurzschluss. Bitte so keinesfalls in Betrieb nehmen!
Der richtige Weg ist, wie von Maurice bereits erwähnt, der Austausch des bisherigen Stromstoßrelais.
am 17. Oktober 2024 19:02
Kein Kurzschluss, da die Spule des klassischen Stromstoßrelais den Strom begrenzt. Wird schon funktionieren, aber ja, ist schon sehr speziell.
am 17. Oktober 2024 19:46
Stimmt, das ist ja drin geblieben. Mit dem Wechselstromwiderstand der Spule ist es möglich.
Ich würde es dennoch nicht empfehlen.
am 17. Oktober 2024 16:23
Das Relais in deinem Stromlaufplan ist nicht das smarte Relais, sondern ein vorhandenes, klassisches Stromstoßrelais, richtig? Das smarte Relais ist dort noch nicht eingezeichnet?
Dann ist es sinnvoller, das Stromstoßrelais zu entfernen und durch das smarte Relais zu ersetzen.
am 17. Oktober 2024 17:06
Richtig. Mein Relais ist im Rot unten markiert. Ich finde deinen Vorschlag sehr gut. Ich überprüfe, ob genug Platz im Sicherungskasten ist.
Vielen Dank.
P.S. Es würde mich trotzdem interessieren, was du über meine Lösung denkst.
17. Oktober 2024 18:54 - bearbeitet 17. Oktober 2024 18:57
Sofern ich das richtig verstehe hast Du es so angeschlossen?
Das wäre schon sehr speziell. Das Relais schaltet sich dann selbst die Versorgung ab, wenn es einen Impuls auslöst. Gedacht ist es so auf jeden Fall nicht. Funktionieren wird es aber wohl (wie Du ja bestätigst).
Grundsätzlich besteht bei der Kombination aus smartem Relais (im Impuls-Modus) und einem klassischen Stromstoßrelais immer das Problem, dass das Smart Home-System den Zustand der Leuchte nicht kennt. Das schränkt die Möglichkeiten der Automatisierung ein. Auch kannst Du nicht mal eben in der App prüfen, ob das Licht aus ist. Die Auswirkungen hängen natürlich auch davon ab, ob das Stromstoßrelais selbst zeitgesteuert abschaltet oder nur manuell per Impuls.
Sofern irgendwie möglich würde ich das Stromstoßrelais daher durch das smarte Relais ersetzten. Ansonsten geht deine Lösung als kreativer Workaround mit rudimentärer Funktion aber auch.