abbrechen
Suchergebnisse werden angezeigt für 
Anzeigen  nur  | Stattdessen suchen nach 
Meintest du: 


Junkers Cerapur ZSB14-04 23C mit CT200 kombinieren

Tomatoman
Apprentice Homie

Hallo,

 

ich habe aktuell einen FW120 verbaut der meine Gastherme Junkers Cerapur ZSB14-04 23C steuert.

 

Es gibt einen Außenfühler aber keine Solarinstallation.

 

Nun möchte ich gerne den CT200 einbauen um die Gastherme aus der Handy App zu steuern.

 

Hat jemand damit schon Erfahrung gesammelt? Kann ich die beiden roten Drähte (BUS) einfach abgreifen und verlängern?

 

Oder muss ich den FW120 entfernen?

 

Soweit ich das verstehe, sind sowohl der FW120 als der CT200 über BUS angeschlossen.

 

Freue mich auf Rückmledungen.

 

25 ANTWORTEN 25

mazeza
CEO of the Homies

Der FW 120 muss entfernt werden ,den CT 200 dann einfach am Bus anschließen.

Hängt der FW 120 in der Therme oder im Zimmer ? wenn er im Zimmer hängt , ist ,glaube ich, sogar die Halterung identisch.

Der FW120 ist direkt in der Therme verbaut.

 

Was mir gerade noch auffiel, dass bei manchen Produkten der Vermerk "BUS-Schnittstelle EMS2: nein" steht. Hat das eine Relevanz? Die FSB 14-4 C23 hat doch EMS ?

mazeza
CEO of the Homies

Der CT 200 unterstützt EMS 1 und EMS 2, laut Bosch ist die Therme ZSB 14-4 kompatibel.

Tomatoman
Apprentice Homie

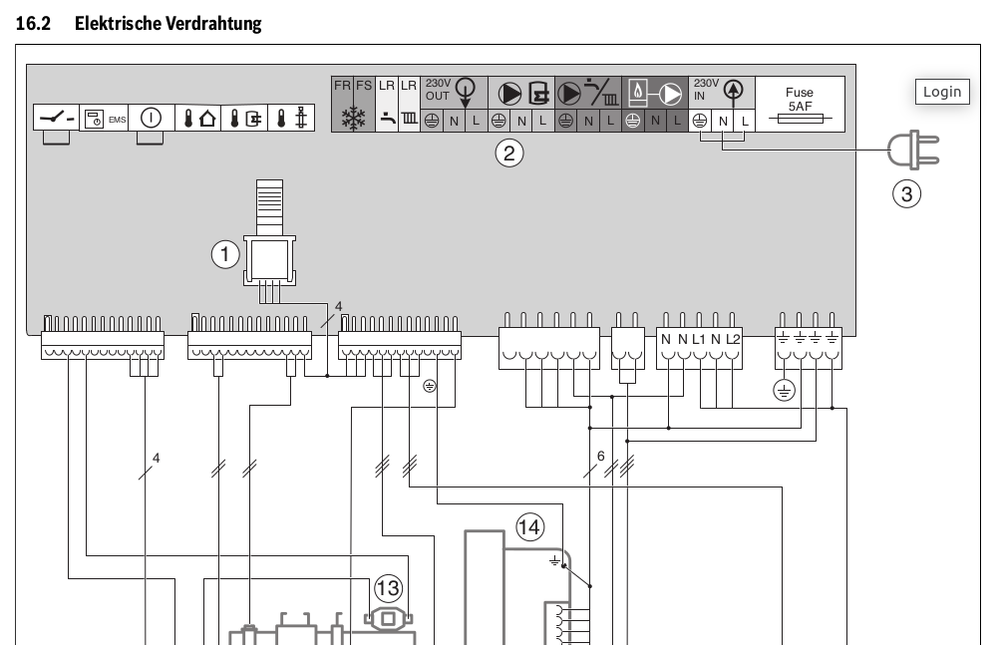
Wo finde ich denn einen Instalationsplan, wo ich den Bus anschließen muss?

Hallo, ich denke das dies der korrekte Schaltplan ist? Muss ich denn bei der BUS Leitung etwas besonderes beachten?

Bildschirmfoto vom 2023-07-24 22-40-49.png

mazeza
CEO of the Homies

Die Busklemmen sind mit BB gekennzeichnet,ist egal wie rum Du Sie anschließt. 

Tomatoman
Apprentice Homie

Hallo,

gibt es bei der BUS - Leitung irgendwelche Vorgaben? Ich habe gehört, das man ein Telefonkabel benutzen sollte? Oder kann man einfach nur ein 2-adriges Kabel verwenden? Darf ich als Laie diesen Tausch selber durchführen, oder bewege ich mich da in einer Grauzone? Ich gehe davon aus, dass ich die Gastherme während der Installation des BUS Kabel stromlos machen sollte?

mazeza
CEO of the Homies

Von irgendwelchen Vorgaben weiß ich nichts, nimm ein einfaches 2 adriges Kabel und gut ist.

Das kannst du auch als Laie machen, vertauschen kannst du ja nichts. Zur Sicherheit kannst du die Therme stromlos machen. 

 

Tomatoman
Apprentice Homie

Kann ich den Außenfühler sitzen lassen, oder ist der mit dem FW120 gesteckt?

mazeza
CEO of the Homies

Der Außenfühler ist an der Therme angeschlossen, kann bleiben. 

Hallo, ist das hier wo ich die 2 BUS Adern anschließen muss? Oder liegt das im unteren Bereich? 

 

IMG_20230802_164219.jpg

mazeza
CEO of the Homies

Wenn Du auf deinen Schaltplan oben schaust , siehst Du oben links den Anschluß mit der Bezeichnung EMS , da mußt du ran .Auf deinem Bild siehst Du die untere Klemmleiste.

mazeza
CEO of the Homies

Ich habe mir mal die Installationsanleitung angesehen . Du mußt an die Klemmleiste für externes Zubehör.

mazeza_0-1690993973995.png

 

Tomatoman
Apprentice Homie

Vielen Dank für die Hilfe, habe alles hinbekommen!

mazeza
CEO of the Homies

Na Dann ,wenn Du noch Fragen hast, melde Dich .

Tomatoman
Apprentice Homie

Hallo,

ich hatte mich heute an die Hotline von Bosch gewandt, aber dort war man so gar nicht bereit groß Hilfe zu leisten.

 

Vielmehr wollte man mir andauernd klar machen, dass der Installateur bei der Optimierung des CT200 helfen sollte.

 

Ich habe bisher noch keine Anleitung gefunden, welche die einzelnen APP Einstellungen beschreibt.

 

Wie bereits erwähnt habe ich den CT200 neben der Gastherme verbaut.

 

Wenn ich unter Einstellungen gehe, dann habe ich einmal das Warmwasser.

 

Hier gibt es Aus/Auto/AN, aktuell habe ich Auto ausgewählt, was aber bedeutet das genau? Muss die Wassertemperatur erst ein paar Grad fallen bis die Therme dann anspringt?

Was ist hier denn die optimale Einstellung?

 

Nun komme ich zu den Heizungseinstellungen, hier habe ich Außentemperaturregelung auf An.

 

Komme ich zu den Einstellungen, dann habe ich aktuell folgende eingestellt:

 

Automatischer Nachtmodus An

 

Schwelle Nachtmodus 16°

 

Sommerbetrieb Aus

 

Sommerbetrieb ab 22°

 

Nun komme ich zu der berühmten Heizkurve:

 

Raumeinfluss = 0

 

Heizsystem Heizkörper, habe davon 7 und in Küche und Bad sind jeweils Fußbodenheizung vorhanden.

 

Fußpunkt Heizkurve 20°

 

Endpunkt Heizkurve 75°

 

Min. Vorlauftemperatur 59°

 

Max. Vorlauftemperatur 68°

 

Hoffe, das mir jemand ansatzweise erklären kann, welche Einstellungen davon korrekt und welche ich womöglich ändern sollte.

 

Noch eine letzte Frage, was wenn es im Sommer mal einen Bedarf für Wärme gibt, kann ich das dann über den Boost lösen?

 

 

 

 

 

 

mazeza
CEO of the Homies

Hast Du bei Warmwasser noch weitere Einstellmöglichkeiten ? Hast du einen Speicher ?

Der CT 200 übernimmt ja erst mal alle Einstellungen die du an der Therme vorgenommen hast .

Schwelle Nachtmodus bedeutet ,die Heizung bleibt aus bis die eingestellte Temperatur im Raum wo der Ct200 hängt unterschritten wird.

Sommerbetrieb : Die Heizung geht ab einer von dir eingestellten Außentemperatur aus.

Raumeinfluss : Da du den CT 200 neben der Therme gehängt hast  , kannst du auf "0" belassen , 

Der Raumeinfluss ist nur sinnvoll wenn der CT 200 in einem Referenzraum hängt um dann als Thermostat die Temperatur zu überwachen.

Mit der Heizkurve musst du ,wenn es soweit ist experimentieren (Außentemp. unter 5 Grad)

Fußpunkt : würde ich erst mal so lassen , Endpunkt : erst mal runter auf 60 Grad ( zur Verbrauchsenkung ,soweit runter wie möglich)

min. Vorlauftemperatur auf jeden Fall runter auf 20 Grad , dein Heizung jagt sonst immer deine eingestellten 59 Grad zu den HK ,obwohl nicht benötigt .

max. Vorlauftemperatur : erst mal so belassen.

Die Boostfunktion ist auch nur Sinnvoll wenn dein CT 200 im Referenzraum (z.B. Wohnzimmer) hängen würde .Du kannst dann die Temperatur und die Dauer das schnellen Aufheizens aktivieren.

 

 

Tomatoman
Apprentice Homie

Hallo, in der Tat habe ich auch einen Warmwasserspeicher mit 300 Liter. An der Therme gibt es einen Schalter bei dem man die Temperatur entsprechend erhöhen oder senken kann.

 

Diesen habe ich aktuell bei 60°.

 

Was aber mache ich wenn meine Omi zu Besuch kommt, der ist es meistens zu kalt. Wie bekomme ich dann die Wärme in den Raum gesteuert?

mazeza
CEO of the Homies

In dem du die Temperatur erhöhst ,ab welcher die Heizung in den Sommerbetrieb geht.

Warum legst du den CT 200 nicht ins Wohnzimmer ? 

Noch komfortabler gehts , wenn du an allen Heizkörpern die Bosch-Heizkörperthermostate der 1. Gen. hättest. Dann kannst du eine Einzelraumregelung realisieren , jeder Raum fordert dann separat die benötigte Wärme von der Therme an.

Dann kannst du auch die Boostfunktion nutzen . Du wählst einen Raum in der App ,stellst die gewünschte Temperatur und die Zeit ,wie lange der Boost laufen soll, ein. 




Rechtswidrigen Inhalt melden