abbrechen
Suchergebnisse werden angezeigt für 
Anzeigen  nur  | Stattdessen suchen nach 
Meintest du: 


Kalibrierung Rolladensteuerung

Karotte
Homie

Hallo, ich habe in einigen Räumen Schwierigkeiten die Rolläden zu kalibrieren (in anderen ging es problemlos).

Verkabelung ist korrekt

Firmware ist aktuell

Reset durchgeführt

Bei der Kalibrierung bewegt sich der Rolladen nur 30cm nach unten und wieder hoch. Dann meldet die App, dass die Kalibrierung abgeschlossen sei. Die manuelle Eingabe der Fahrzeiten bleibt wirkungslos.

Was mache ich falsch?

1 AKZEPTIERTE LÖSUNG

Ganz lieben Dank Rainerle.

 

Ich hatte noch @Sabrina geschrieben, die mir die Hotline von Bosch Smart Home empfohlen hat. Dort wurde mir schnell und freundlich geholfen:

 

1. Alle Trennrelais angeschlossen

2. Manuelle Auf- und Abzeit der Behänge auf jew. 20 Sekunden einstellen

3. Reaktion auf 0,7s

4. Automatische Erkennung deaktivieren

 

--> Tataaaa - das Kinderzimmer hat wieder Tageslicht 🙂

 

Ich hatte bisher immer die Laufzeiten erhöht, weil sich nach der ursprünglichen Kalibrierung die Behänge nur 50% des Weges bewegten... und vermutlich noch andere Fehler gemacht.

 

Jetzt versuche ich noch die Zeiten exakter einzustellen, dass die 80% Rollladenschließung die Behänge leicht auf Spannung setzt und Licht durch scheint. Bin da teilweise bei 13s angekommen.

 

Vielen Dank allen, die geholfen haben 👋

Lösung in ursprünglichem Beitrag anzeigen

19 ANTWORTEN 19

Karotte
Homie

Mir ist noch ein Unterschied aufgefallen: Dort, wo die Kalibrierung funktionierte, ist nur ein Motor am Schalter angeschlossen. Dort, wo es nicht klappt, werden jew. 2 Motoren betrieben.

Rainerle
Poweruser

Ist bei den Rollläden ein Trennrelais verbaut? Ohne dieses geht es nicht, es sei denn es sind Rollläden neuer Herstellung. Am besten nach Typennummer schauen und googeln was der Hersteller sagt. Ich gehe mal von älteren Rollläden aus. 

Wenn dem so ist: Ist in der Schalterdose ein Trennrelais? Wenn nein, führen von dort zwei Kabel zu den Rollläden? Wenn ja, Trennrelais einbauen. Wenn nein, Am Rolladen der zuerst den Strom bekommt schauen, ob da vielleicht ein Trennrelais verbaut wurde. Wenn nein, Trennrelais einbauen (lassen). Ohne ein solches wird es nicht funktionieren. 

Privater Nutzer über iOS, SHC II + Funkstick mit knapp 100 Geräten, drei Kameras, 30 Automationen und viele Szenarien. Heizung EasyControl und Beleuchtung über PhilipsHue-Bridge eingebunden.


☝ gerne mitmachen! Info SHC Generation, Smartphone und Betriebssystem hilft häufig bei der Lösung von Problemen. Einfach im Profil bei "Persönliche Informationen" in der "Signatur" eintragen.

Hallo Rainerle,

die Rollläden sind älter (ca. 20 Jahre). In der Schalterdose ist kein Trennrelais. Von dort führen 3 Kabel zum Rollladen (L, Auf, Zu). Am Rollladen ist auch kein Trennrelais zu finden.

Habe testweise einen zweiten Rollladen abgeklemmt und schwupp ging es. 

Ganz vielen Dank - ich besorge mir Trennrelais.

 

Rainerle
Poweruser

Schön, dass ich helfen konnte. 👍🏻

 

(Und Thread auf gelöst setzen, dann weiß jeder dass er nur der Information halber liest)

Privater Nutzer über iOS, SHC II + Funkstick mit knapp 100 Geräten, drei Kameras, 30 Automationen und viele Szenarien. Heizung EasyControl und Beleuchtung über PhilipsHue-Bridge eingebunden.


☝ gerne mitmachen! Info SHC Generation, Smartphone und Betriebssystem hilft häufig bei der Lösung von Problemen. Einfach im Profil bei "Persönliche Informationen" in der "Signatur" eintragen.

Ich habe in einer gut versteckten Dose in der Wand nun doch ein Trennrelais von Jung (TR-S UP) gefunden. Insofern besteht mein Problem weiterhin. Der Raum, in dem ich den zweiten Rolladen abgeklemmt hatte war ein anderer mit neueren Rolladen. Kannst Du mir bitte nochmal helfen?

 

 

IMG_4768.jpg

Rainerle
Poweruser

Hmm. Und zuvor hat alles richtig funktioniert? Das heißt, wenn Du einen Rollladen abklemmst, funktioniert es dann? 

Alles ohne Gewähr! Meine Aussagen sollen nicht zur Erklärung dienen, sondern lediglich um aufzuzeigen, dass es so eher nicht funktionieren könnte. Bin Laie und keine ausgebildete Elektrofachkraft! 

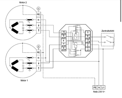
Mir scheint, das Trennrelais wäre falsch angeschlossen. Die Kabel links gehen zu den Motoren, jeweils Auf und Ab. Das passt. In der Mitte (8) liegt die L1-Klemme. Da sollte laut Schaltplan der Leiter drauf. Rechte Seite kommen die Leitungen von der Rolladensteuerung: P, Auf und Ab. Du hast aber 5 Kabel angeschlossen. Das passt also auch nicht. Bei (2) ist ein N geklemmt müsste aber „Ab“ sein. Der N kommt auf Klemme (5). 

46470A7F-2026-4DF0-BDE8-DFBDE4927E82.png

 

Sodann die Wago-Klemme links. Da werden blau und schwarz gemischt. Vermutlich (!) links die zwei schwarzen als N für die Motoren. Könnte korrekt sein. Vielleicht aber auch nicht. Eher ja, wäre das falsch, würde wohl die Sicherung raus fliegen. 

Meine Empfehlung: Einen Elektriker holen, der soll das anschauen und korrekt anschließen. Das passt nicht. Was auch immer da zuvor geschaltet wurde …

 

Sorry. Bitte mach nicht selbst dran rum, das kann nach dem Schaltplan von Jung gut gehen, aber auch nen mächtigen Kurzschluss geben, den entweder Motoren oder Rolladensteuerung nicht überleben. Von Dir reden wir jetzt mal nicht. 

 

Privater Nutzer über iOS, SHC II + Funkstick mit knapp 100 Geräten, drei Kameras, 30 Automationen und viele Szenarien. Heizung EasyControl und Beleuchtung über PhilipsHue-Bridge eingebunden.


☝ gerne mitmachen! Info SHC Generation, Smartphone und Betriebssystem hilft häufig bei der Lösung von Problemen. Einfach im Profil bei "Persönliche Informationen" in der "Signatur" eintragen.

Das Trennrelais TR-S (Schaltplan von Dir) und das verbaute TR-S UP werden unterschiedlich angeschlossen. Die Verkabelung ist korrekt. Die zwei schwarzen Drähte in der Wago-Klemme sind tatsächlich die zwei Ns für die Motoren.

Nochmal die aktuelle Lage:

Verkabelung ist korrekt

Firmware ist aktuell

Reset durchgeführt

Trennrelais vorhanden

Bei der automatischen Kalibrierung nutzt der Motor nicht die volle Strecke, sondern nur ca. 1/3. In dieser Bandbreite lässt er sich anschließend über Schalter und App bedienen. 

Die manuelle Eingabe der Fahrzeit beeinflusst das Verhalten nicht.

 

 

Habe jetzt das Relais entfernt und nur einen Rollladen angeschlossen: Mit nur einem Motor funktioniert es einwandfrei.

Rainerle
Poweruser

Du hast recht, war der falsche Schaltplan. Und es scheint korrekt angeschlossen. Auf/und Ab sind bei beiden Motoren korrekt? Wenn Du beide erst mal auf Mittelstellung bringst und dann erst an die Rolladensteuerung. Was passiert dann? 

 

Das hier ist der richtige:

 

20A5979E-0FE7-4C57-8003-CDE9A6422711.png

Den gleichen Motor, der zuvor auch nur 1/3 Bewegung hatte? Oder ist das egal?  Du schreibst „nutzt der Motor nur 1/3“. Einer oder beide? 

Dann kann es eher nicht an den Endpunkten der Motoren liegen, denn dann würden sie wieder dort anhalten. Bin nun auch ratlos … 

 

Habe gestern auch zwei Motoren montiert. Einer davon wollte einfach nicht nach oben fahren. Musste bei ihm mehrmals auf die Werkseinstellungen zurücksetzen. Dann ging es plötzlich. Und nun passt alles. 

Privater Nutzer über iOS, SHC II + Funkstick mit knapp 100 Geräten, drei Kameras, 30 Automationen und viele Szenarien. Heizung EasyControl und Beleuchtung über PhilipsHue-Bridge eingebunden.


☝ gerne mitmachen! Info SHC Generation, Smartphone und Betriebssystem hilft häufig bei der Lösung von Problemen. Einfach im Profil bei "Persönliche Informationen" in der "Signatur" eintragen.

Wenn beide Motoren mit Trennrelais kalibriert werden, wird bei beiden nur 30% der Gesamtstrecke angefahren. 

Wenn ich nur einen Motor dieser beiden Motore, ohne Trennrelais anschließe und neu kalibriere, werden die 100% Öffnung und Schließung erkannt.

 

Hast Du noch eine Idee, wie ich im Forum oder von Bosch eine Lösung bekomme?

@Karotte Leider hab ich keine Lösung für Dein Problem, aber so wie Du es schreibst würde ich das Trennrelais weg lassen. Ist dann leider eine Steuerung pro Rollladen.

 

viele Grüße,

der Erklärbär

Rainerle
Poweruser

Leider nein. 

Gehen wir mal davon aus, dass alles korrekt verkabelt ist. Dann bleibt eigentlich nur übrig, dass das Relais ne Macke hat. Die Rollladensteuerung funktioniert ja auch, wenn nur ein Rollladen angeschlossen ist. Das Relais ist zu teuer um es mal kurz zum Testen zu ersetzen …

Ein Versuch wäre, den alten oder einen nicht-smarten manuellen Rollladenschalter anzubauen. Und dann zu schauen, ob es funktioniert. Bzw. bevor Du das umgebaut hast, hat es vermutlich auch funktioniert. Oder?

 

Vielleicht meldet sich ja noch jemand mit Erfahrung oder einer der Bosch-Spezialisten. 

Privater Nutzer über iOS, SHC II + Funkstick mit knapp 100 Geräten, drei Kameras, 30 Automationen und viele Szenarien. Heizung EasyControl und Beleuchtung über PhilipsHue-Bridge eingebunden.


☝ gerne mitmachen! Info SHC Generation, Smartphone und Betriebssystem hilft häufig bei der Lösung von Problemen. Einfach im Profil bei "Persönliche Informationen" in der "Signatur" eintragen.

Rainerle
Poweruser

Dann braucht er aber eine Steuerung für den zweiten Rollladen.  Also Dose setzen und noch ne Rollladensteuertung kaufen. Oder in die Abzweigdose oben einbauen dann könnte man per Automation auslösen, wenn die andere betätigt wird. Halte ich alles für schlechte Lösungen. Es ist doch nicht das einzige Trennrelais auf der Welt. Irgendwo ist ein Fehler, den man finden sollte. 

Karotte, hast Du das mit beiden Motoren ohne Trennrelais ausprobiert? Nicht dass der andere Motor mit Endpunkten das beeinflusst. Geht dieser allein auch vollständig auf und zu? 

Ich gehe mal davon aus, dass die Rollladensteuerung feststellt, dass der Motor keinen Strom mehr zieht und dann abschält. Mit Trennrelais würde ein Motor vielleicht länger Strom ziehen und erst dann würde die Rollladensteuerung abschalten. Diese funktioniert wohl. Ich tendiere dazu, dass das Relais nen Schuss hat. Aber dazu müsstest Du mal nen normalen Schalter einbauen und schauen, ob wirklich beide Motoren mit Relais vollständig auf und abfahren. 

Dann vielleicht noch mal alle Kabel checken, ob wirklich alle richtig angeschlossen sind. Vielleicht hat das Relais ne eigene Sicherheitsabschaltung, so dass nach 30 Prozent Bewegung /15 Sekunden der Strom angeschaltet wird. Könnte man mit nem normalen Schalter der dauerhaft Strom abgibt messen, ob an den Auf/Ab-Buchsen Strom ist oder nicht. 

Jetzt wird es aber wieder ne Sache für nen Elektriker. Irgendwann wird es für Laien dann doch zu kritisch bei Strom. 

Privater Nutzer über iOS, SHC II + Funkstick mit knapp 100 Geräten, drei Kameras, 30 Automationen und viele Szenarien. Heizung EasyControl und Beleuchtung über PhilipsHue-Bridge eingebunden.


☝ gerne mitmachen! Info SHC Generation, Smartphone und Betriebssystem hilft häufig bei der Lösung von Problemen. Einfach im Profil bei "Persönliche Informationen" in der "Signatur" eintragen.

Das Verrückte ist ja, dass ich das gleiche Problem an 4 Schaltern mit jew. 2 Motoren habe. Mit dem alten Auf-Ab von Jung (509 VU) ging es problemlos.

 

Neuer Versuch: Ich habe das Trennrelais abgeklemmt und beide Motoren parallel angeschlossen. So funktioniert es! Aber welche Nachteile gehe ich dadurch ein? Soll ich alle 4 Trennrelais mit Motoren mit teils deutlich unterschiedlicher Laufzeit ohne Trennrelais verwenden?

Kann mir das jemand beantworten? Soll ich alle Trennrelais ausbauen und die Rollläden ohne diese betreiben?

Rainerle
Poweruser

Das müsste jemand vom Produktmanagement beantworten. Es gibt neuere Rollladenmotoren, die ohne Trennrelais verbaut werden dürfen. Ob es das bereits vor 20 Jahren gab? 

@SebastianHarder Kannst Du etwas dazu sagen, oder jemandem weitergeben? Danke! 

Privater Nutzer über iOS, SHC II + Funkstick mit knapp 100 Geräten, drei Kameras, 30 Automationen und viele Szenarien. Heizung EasyControl und Beleuchtung über PhilipsHue-Bridge eingebunden.


☝ gerne mitmachen! Info SHC Generation, Smartphone und Betriebssystem hilft häufig bei der Lösung von Problemen. Einfach im Profil bei "Persönliche Informationen" in der "Signatur" eintragen.

Ganz lieben Dank Rainerle.

 

Ich hatte noch @Sabrina geschrieben, die mir die Hotline von Bosch Smart Home empfohlen hat. Dort wurde mir schnell und freundlich geholfen:

 

1. Alle Trennrelais angeschlossen

2. Manuelle Auf- und Abzeit der Behänge auf jew. 20 Sekunden einstellen

3. Reaktion auf 0,7s

4. Automatische Erkennung deaktivieren

 

--> Tataaaa - das Kinderzimmer hat wieder Tageslicht 🙂

 

Ich hatte bisher immer die Laufzeiten erhöht, weil sich nach der ursprünglichen Kalibrierung die Behänge nur 50% des Weges bewegten... und vermutlich noch andere Fehler gemacht.

 

Jetzt versuche ich noch die Zeiten exakter einzustellen, dass die 80% Rollladenschließung die Behänge leicht auf Spannung setzt und Licht durch scheint. Bin da teilweise bei 13s angekommen.

 

Vielen Dank allen, die geholfen haben 👋

Rainerle
Poweruser

Ich vermute dass es die 0,7 Sekunden Reaktion waren. Das Relais braucht wohl auch etwas Zeit und die hast Du nun. Werde ich mir merken für ähnliche Probleme. Danke! Und es freut mich, dass es nun klappt! 

Privater Nutzer über iOS, SHC II + Funkstick mit knapp 100 Geräten, drei Kameras, 30 Automationen und viele Szenarien. Heizung EasyControl und Beleuchtung über PhilipsHue-Bridge eingebunden.


☝ gerne mitmachen! Info SHC Generation, Smartphone und Betriebssystem hilft häufig bei der Lösung von Problemen. Einfach im Profil bei "Persönliche Informationen" in der "Signatur" eintragen.



Rechtswidrigen Inhalt melden